Onshore Petro-Chemical
Although our current focus is on renewables, the projects below demonstrate our proven capacity to manage large-scale mega-projects (over $2 billion in value), including complex interface management and vendor alignment.
Pipelines, Fractionation and Liquefaction, Permico Midstream Partners
Location: Louisiana, USA
Builder: Permico Midstream partners / Technip
Status: Restarted 2025
Role: Interface Managame and Vendor Alignment
The Permico Midstream Partners project developed an integrated natural gas liquids (NGL) system, transporting Y-grade feedstock from West Texas to export markets via pipelines, fractionation, liquefaction, and marine offloading. The system was designed in phases to scale with demand.


Pipelines and Pump Stations
Compañero Pipeline: 870 km (540 miles), 20-inch diameter. Transports Y-grade feedstock from West Texas to Corpus Christi fractionation plant. Includes 5 pumping/pigging stations.
Simpático Pipeline: 600 km (373 miles), 16-inch diameter. Carries high-purity products to East Texas Gas Hub near Mont Belvieu. Includes 2 pumping/pigging stations.
Typical Costs: $700 - 900 Million


Fractionation
The central fractionation plant in Nueces County processed Y-grade feedstock into high-purity NGL products (propane, butane, ethane, etc.). High-pressure compression was used to transfer the separated liquids to sphere storage tanks for secure, high-volume containment. Typical Costs: $550 - 750 Million
Liquefaction
A dedicated liquefaction facility converted the purity products into liquefied form using gas chillers and refrigerant compressors. The liquefied products were stored in low-pressure (LP) tanks, with boil-off gas (BOG) managed through vapor recovery and compression systems. Typical Costs: $200 - 300 Million
Offloading
An LPG loading wharf was equipped with two sets of five loading arms to transfer liquefied purity products to LNG carriers for international export. The design supported efficient loading operations, with typical vessel capacities of 125,000 barrels and provisions for temperature maintenance and vapor recovery during transfer. Typical Costs: $100 - 150 Million
1.8
Billion USD
300kBBL
Barrels/day throughput
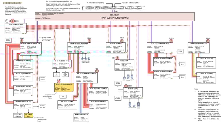
Project: Ethane Cracker and Derivatives Plant
Location: Louisiana, USA
Builder: Fluor / Technip
End user: Sasol
Status: Operational, 2019
Role: Substation FATs, Mechanical Completions and Commissioning Management


Breakdown of Plants included
Ethane Cracker: 1.5 million tons/year ethylene – $4–5 billion
Low-Density Polyethylene (LDPE) Plants (2 units): 900,000 tons/year total – $1.5–2 billion
Linear Low-Density Polyethylene (LLDPE) Plant: 470,000 tons/year – Included in LDPE estimate
Ethylene Oxide / Ethylene Glycol (EO/EG) Plant: 340,000 tons/year EO + 340,000 tons/year EG – $1–1.5 billion
Mono-Ethylene Glycol (MEG) & Ether Plant: 170,000 tons/year glycol ethers – Included in EO/EG estimate
Ziegler Alcohol Plant: 173,000 tons/year alcohols + 32,000 tons/year alumina – $500–800 million
Guerbet Alcohol Plant: 85,000 tons/year Guerbet alcohols – $300–500 million
Overall Project: – – $12.8 billion


Equipment
220/69kV GIS Substation
69/13.8kV Substations (5)
13.8kV/480V Packaged Substations (15)
25MW Steam Turbine Generator
480V Packaged Standby Generators (9)
Motor drives: 44,000HP, 18,000HP, 11,000HP and others.
1.5 MTPA
Million Tons per Annum of throughput
12.8
Billion USD
More Information?
Get in touch to discuss your project, whether it's technical, commercial, or simply a request for more details.
Contact
Prefer to call us directly, or send an email?
Phone
+39 331 802 9277 (Europe)
+1 281 932 6226 (USA)
© 2022 Renova Energy Solutions LLC. Registered in WY, USA. Operating from USA/Italy
All rights reserved.
Projects delivered in conformity with ISO 9001 quality management principles, DNV, and Lloyd's Register standards in renewable energy and marine sectors. [Learn more about us →]
