Process-Mechanical Systems for Offshore Substations
We specialize in renewable energy solutions, including Power-to-X (P2X) technologies and other emerging innovations that support sustainable offshore operations. Our Marine section highlights our contributions to marine renewable installation vessels, ensuring efficient deployment and maintenance of offshore wind infrastructure. Drawing from our legacy oil & gas projects, we bring proven multidiscipline experience and integration expertise to deliver robust, low-maintenance mechanical systems for offshore wind substations.
These systems are designed for harsh marine environments, emphasizing corrosion resistance, redundancy, unmanned operation, and compliance with standards such as DNV-ST-0145, ISO 15138, NFPA, and MARPOL.
HVAC Systems
Comprehensive expertise in air- and water-cooled systems, delivering precise environmental control for equipment rooms and living quarters on offshore platforms and marine vessels—leveraging proven marine and oil & gas methodologies for reliable performance in renewables.
Our Scopes Include:
Heat load calculations from electrical equipment and cables
Solar radiation assessment and insulation coordination
HVAC sizing and air flow calculations
Ducting and Instrumentation Diagrams (DIDs)
Main equipment selection and specification
Ducting and damper layouts
Marine-grade HVAC systems ensure optimal temperature, humidity, and air quality, protecting sensitive electrical equipment from condensation, corrosion, and overheating. Key features include N+1 redundancy, explosion-proof components, FRP-coated units for harsh environments, and SCADA integration for remote monitoring. Passive cooling options and lightweight designs further reduce energy consumption—making these solutions ideal for offshore wind substations, unmanned platforms, and marine renewable installation vessels


Photo: Large Packaged HVAC on roof of FPSO
Fire Fighting / Suppression (FiFi):
Performance-based systems address risks from transformers and electrical faults, incorporating clean gaseous agents (e.g., NOVEC 1230) for enclosed spaces, water mist/deluge for transformers, foam for helidecks, and passive A-60 fire-rated divisions. Automatic detection and activation ensure safety in unmanned platforms. We engineer basic fire suppression requirements according to NFPA, ABS, DNV, and SOLAS standards.
Coordination of gas requirements according to applicable codes and fire zoning plans
Calculation of gas concentrations, required bottle counts, and skid arrangements for redundancy
P&IDs and main piping layouts with branches and instrumentation
Control station requirements and layouts
Interface with HVAC and other shutdown systems (e.g., ESD integration)


Photo: FM200 Fire Extinguishing Gas
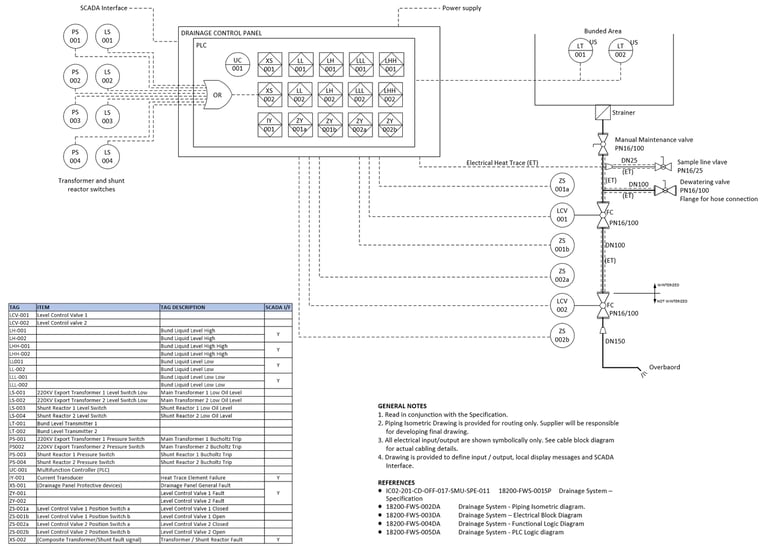
Deck Bund Drainage for Synthetic Ester Oil
We design and integrate structural deck bunds around transformers to contain biodegradable ester fluids (e.g., MIDEL 7131). Bunds capture spills, suppression water, and rainwater; level sensors trigger valves for clean water release (oil floats) or immediate closure in incidents—ensuring zero discharge per MARPOL/DNV-ST-0145. This space-efficient solution suits compact Siemens OTM designs, like Inch Cape, optimizing environmental protection.
Tank-Based Drainage for Mineral Oil
We engineer below-deck sump tanks with separators, filters, and remote valves for managing Mineral Oil in unattended platforms. Tanks isolate contaminated water during spills for onshore disposal, compliant with MARPOL/DNV. Supports larger 'Sandwich Design' platforms (e.g., Baltyk 2) via full piping, instrumentation, and SCADA integration—using oil & gas experience for reliable renewables performance.


Typical Gravity Drain System P&ID


Drainage Systems in Offshore Substations: Our Expertise
We provide integrated solutions for renewable energy, Power-to-X (P2X), and emerging technologies in offshore operations. Our Marine section supports renewable installation vessels, while oil & gas legacy projects deliver multidiscipline engineering for mechanical systems like drainage.
Material Handling (Cranes)
Material handling comprises one or more of:
Large scale deck crane, that can have a lift capacity of a few hundred tons (typically 100–500 tons on larger platforms), with remote slew, travel and hoist—suited for major lifts on expansive 'Sandwich Design' substations.
Pedestal / Knuckle Boom Cranes, typically up to 20 tons (common 5–50 tons SWL, with active heave compensation for sea states)—versatile for supply vessel unloading and deck handling.
Spider (mini) cranes, typically up to 10 tons (portable crawler models 3–10 tons)—deployed temporarily for confined-space heavy maintenance.
Monorails and Chain Hoists, typically up to 5–10 tons (electric or manual, often 1–20 tons in enclosed areas)—for precise indoor/outdoor lifts in switchgear or transformer rooms.


Photo: Palfinger
We manage all electrical, automation, and safety systems for crane installations in offshore substations, drawing from oil & gas legacy multidiscipline experience to support renewable energy and P2X technologies.
Electrical Systems: 3-phase 400/230V 50Hz power with IP65 control boxes and Class F motors (S3 duty, space heaters). Includes DOL starting, surge protection, and marine-grade 316L stainless steel for corrosion resistance.
Automation Systems: Wireless remote controls (BS EN 13852 compliant) for hoisting/slewing/emergency stops, with constant tension wave compensation, automatic locking, and lithium-ion battery charging in shelters.
Safety Systems: Protections per DNV-ST-0378/BS EN 13852, including AOPS/HOPS/MOPS overload, load indicators, slack rope/wind detection, and emergency lowering. Features man-riding certification, hoist eyes, and bird prevention for 33-year unmanned reliability.
Standby Generator & Fuel Tank
Containerized diesel generators provide emergency power for critical systems, black-start capability, and safe shutdown. Double-walled fuel tanks with spill containment, level alarms, and fire separation support extended unattended operation.


Key Mechanical Systems in Offshore Workboats
Our legacy in marine workboats and jackup oil rigs—encompassing design, construction, integration, and operation in demanding offshore environments—underpins our multidiscipline expertise. Modern offshore installation vessels for wind farms effectively combine these strengths: the robust propulsion, anchoring, and heavy-lift capabilities from workboat heritage with the stable, elevated positioning and jacking systems derived from jackup rigs. This fusion enables precise foundation and turbine installation in renewables.
General offshore workboats feature robust mechanical systems optimized for reliability, maneuverability, and compliance:
Main Engines & Propulsion: Twin high-power diesels with controllable pitch propellers, azimuth thrusters, or waterjets for maneuverability, towing, and dynamic positioning.
Fuel Oil System: Storage tanks, separators/purifiers, transfer pumps, and quick-closing valves with spill trays per MARPOL.
Lube Oil System: Dedicated tanks, coolers, filters, and automatic purification for engines and machinery.
Cooling Systems: Central seawater/freshwater circuits with pumps, heat exchangers, and expansion tanks for engines, generators, and hydraulics.
Ventilation Systems: Forced supply/exhaust fans for engine rooms, accommodation, and cargo holds; explosion-proof in hazardous zones.
Compressed Air Systems: Receivers, dryers, and starting air compressors for engine start, tools, and controls.
Hydraulic Systems: Power packs, cylinders, and accumulators for winches, cranes, and steering.
Windlass & Mooring: Hydraulic/electric windlasses, capstans, and tugger winches for anchoring and towing.
Bilge & Ballast Systems: Pumps, ejectors, and alarms for water management and stability.
Steering Gear: Ram or rotary actuators with redundancy per class rules.
Jacking Gear: Hydraulic or electric rack-and-pinion/planetary systems with locking pins and storm brakes for controlled leg elevation on jackup vessels, ensuring stable positioning during installation operations.
This blended legacy supports emerging renewable applications, including marine renewable installation vessels for wind farms and Power-to-X (P2X) technologies.


Photo:


Get in touch
Discover our process-mechanical capabilities for emerging technologies and renewable projects. From piping design and equipment specification to mechanical integration in electrolysers, storage systems, and balance-of-plant—we apply proven legacy oil & gas multidiscipline expertise to P2X hydrogen plants, battery facilities, and industrial renewables. Let's discuss your process-mechanical scope
Contact
Prefer to call us directly, or send an email?
Phone
+39 331 802 9277 (Europe)
+1 281 932 6226 (USA)
© 2022 Renova Energy Solutions LLC. Registered in WY, USA. Operating from USA/Italy
All rights reserved.
Projects delivered in conformity with ISO 9001 quality management principles, DNV, and Lloyd's Register standards in renewable energy and marine sectors. [Learn more about us →]












